首页 > 产品大全 > 衡水成套液压系统厂家 品质驱动,专业打造高效液压动力解决方案

衡水成套液压系统厂家 品质驱动,专业打造高效液压动力解决方案

衡水成套液压系统厂家 品质驱动,专业打造高效液压动力解决方案

在工业自动化与装备制造领域,液压系统作为核心的动力与传动部件,其性能与可靠性直接影响着整台设备乃至整个生产线的运行效率与稳定性。位于华北工业重镇的衡水,凭借其深厚的制造业基础与产业集聚优势,涌现出一批专业生产成套液压系统的优秀厂家,为工程机械、冶金、矿山、农业、船舶、航空航天等诸多行业提供着强劲、可靠的“动力心脏”。

一、 衡水成套液压系统产业的优势与特色

衡水地区的液压产业经过多年发展,已形成从核心元件(如液压泵、阀、油缸、马达)制造到系统集成、测试与服务相对完整的产业链。其成套液压系统厂家的核心优势在于:

  1. 产业协同效应强: 本地及周边完善的零部件供应链,使得厂家能够快速响应,控制成本,并保证核心元件的供应稳定性。
  2. 技术经验积累深厚: 长期服务于各行业客户,积累了丰富的非标定制与工况适应经验,能够针对不同设备(如压机、注塑机、起重机、液压站等)的特定需求进行精准设计与系统匹配。
  3. 注重性价比与可靠性: 在保证系统性能达标的前提下,通过优化设计与成熟的制造工艺,提供具有市场竞争力的高性价比产品,尤其在中端及定制化市场优势明显。

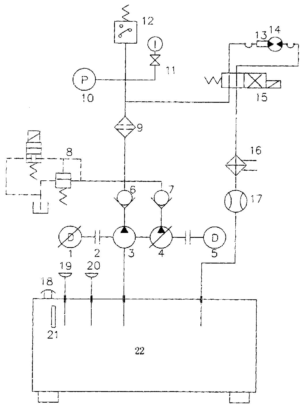
二、 成套液压系统的核心构成与厂家能力

一套完整的、性能优良的成套液压系统,绝非简单的零部件拼装。衡水专业的厂家通常具备以下核心能力:

  • 动力单元集成: 根据系统压力、流量需求,科学选配电机、液压泵、油箱、过滤器、冷却器等,设计紧凑高效的泵站。
  • 控制系统设计: 采用先进的液压阀组(方向阀、压力阀、流量阀)及电控装置(PLC、比例伺服技术),实现精确的压力、速度、方向和多动作顺序控制。
  • 执行元件匹配: 设计与制造或选配符合工况要求的液压油缸、液压马达,确保输出力/扭矩与设备动作精准匹配。
  • 管路与辅件优化: 专业的流体管路设计与布局,选用优质管路、接头、密封件,确保系统无泄漏、振动小、效率高。
  • 测试与调试: 拥有专业的试验台,对出厂前的每套系统进行压力测试、功能测试和耐久性测试,确保其性能稳定可靠。

三、 如何选择可靠的衡水成套液压系统厂家

面对众多厂家,用户在选择时应重点关注:

  1. 技术研发与定制能力: 考察厂家是否拥有专业的技术团队,能否提供从工况分析、方案设计到生产制造的一站式服务,而非仅仅是仿制或组装。
  2. 制造工艺与质量控制: 参观生产车间,了解其加工设备精度、清洁装配环境、焊接工艺及检验检测手段。ISO质量管理体系认证是重要参考。
  3. 成功案例与行业口碑: 查看厂家在目标行业(如您所在的行业)的典型应用案例,了解其系统在实际运行中的稳定性和客户反馈。
  4. 售后服务与技术支持: 液压系统的长期稳定运行离不开及时的专业维护。优秀的厂家会提供详细的技术资料、操作培训以及快速的故障响应与备件支持。

四、 发展趋势与未来展望

随着“中国制造2025”及智能制造浪潮的推进,衡水成套液压系统厂家也正朝着智能化、节能化、高可靠性方向转型升级:

  • 智能化集成: 将液压系统与传感器、物联网(IoT)技术结合,实现状态监控、故障预警和远程运维。
  • 节能环保: 推广采用变量泵、负荷传感、能量回收等节能技术,降低系统能耗与发热。
  • 材料与工艺升级: 应用更耐用的材料、更精密的制造工艺和更环保的液压介质,提升系统寿命与环境适应性。

衡水的成套液压系统厂家,正以其扎实的制造功底、灵活的市场响应和不断提升的技术水平,在中国液压工业版图中占据着重要一席。对于设备制造商而言,选择一家技术过硬、质量可靠、服务到位的衡水合作伙伴,意味着为自身的核心设备注入了强劲而稳定的动力源泉,从而在激烈的市场竞争中赢得先机。

如若转载,请注明出处:http://www.ewrjl.com/product/28.html

更新时间:2026-04-20 07:42:37